Home Page - Simple Switch Solution

Product Search:
+ Rocker Switches
Round rocker
Dust & Water Proof rocker
Oval rocker
Panel cut-out:
0.508 x 0.726" (13 x 19mm)
0.866 x 1.18" (22 x 30mm)
0.433 x 1.18" (11 x 30mm)
0.547 x 1.126" (13.9 x 28.6mm)
0.476 x 1.071" (12.1 x 27.2mm)
0.268 x 0.764" (6.8 x 19mm)
0.756 x 0.866" (19 x 22mm)
0.550 x 1.126" (21 x 36.8mm)

Toggle Switches
Pushbutton Switches
Slide Switches
Snap Action Switches
Water Proof Switches
Rotary Switches
Circuit Breaker


(All fields are required.)


Security Code

(Fill in the code to send the form)


Approvals | RoHS Compliant | Cross References | Distributor | Customer Support
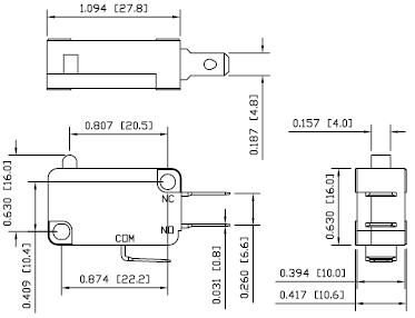
RL6-1 Snap action switch
The RL6-1 series snap action switch has high power rating with UL, cUL and European approvals. It fits the industrial standard assembly. The switch has many lever options for different applications This switch is fully compliant with RoHS.



RoHS compliant
SPECIFICATION:
Rating:
16A 125-250VAC, 105°C UL, cUL
16(4)A 250V~ , T85 25E3, ENEC
16(4)A 250V~, T125 1E4, ENEC

Electrical life: Over 50,000 cycles
Mechanical life: Over 100,000 cycles

Material:
Body: PBT
Lever: Steel
Contact: Silver Alloy
Terminal: Silver plated brass

Download
RL6-1 Spec sheet (pdf file)
Some frequently used Part Numbers:
RL6-1K4N Normally open snap action, (ON) OFF, 16A 125VAC, 0.187" Q.C | Check Stock
RL6-1C4M Change-over snap action, ON (ON), 16A 125VAC, 0.187" Q.C | Check Stock

Build own part number



Phone: 503 - 564 4647 | Email Me sales@phaseda.com
Copyright (c) 2012 Phaseda LLC. All rights reserved.