Home Page - Simple Switch Solution

Product Search:
+ Rocker Switches
Round rocker
Dust & Water Proof rocker
Oval rocker
Panel cut-out:
0.508 x 0.726" (13 x 19mm)
0.866 x 1.18" (22 x 30mm)
0.433 x 1.18" (11 x 30mm)
0.547 x 1.126" (13.9 x 28.6mm)
0.476 x 1.071" (12.1 x 27.2mm)
0.268 x 0.764" (6.8 x 19mm)
0.756 x 0.866" (19 x 22mm)
0.550 x 1.126" (21 x 36.8mm)

Toggle Switches
Pushbutton Switches
Slide Switches
Snap Action Switches
Water Proof Switches
Rotary Switches
Circuit Breaker


Online Inquiry:
(All fields are required.)


Security Code

(Fill in the code to send the form)


Approvals | RoHS Compliant | Cross References | Distributor | Customer Support
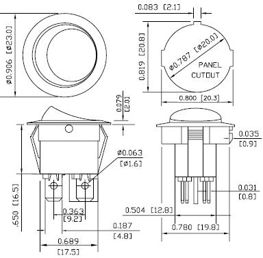
RL3-4R Round Rocker switch
The RL3-4R series round rocker switch has high power rating with UL, cUL and European ENEC approvals. It snaps easily into panel hole: 0.787" (20.0mm). The switch is DPST On.Off, and has illumination in red , green , amber and other colors. PVC cap provides protection against water and dust. This switch is fully compliant with RoHS.

SP round rocker , go to RL3-5 series
DPDT round rocker , go to RL3-5X series

RoHS compliant
SPECIFICATION:
Rating:
16A 125VAC, 10A 250VAC, UL, cUL
1/3HP 125-250VAC, 105°C UL, cUL
10(4)A 250V~ T125 1E4, ENEC
-------------------------------
10A 125VAC, UL, cUL
6(2)A 250V~ T125 1E4, ENEC

Electrical life: Over 10,000 cycles
Mechanical life: Over 50,000 cycles

Material:
Body: PA66
Actuator: PA66, PC for illuminated len
Contact: Silver Alloy
Terminal: Silver plated copper

Download RL3-4R Spec sheet (pdf file)
Some frequently used Part Numbers:
RL3-4RD1H2WBB4 DPST, ON OFF, 16A 125VAC, black body/actuator, white I O marking, 0.187" Q.C Check Stock
RL3-4RD1HRB41 DPST, ON OFF, red illuminated , 16A 125VAC, no marking, 0.187" Q.C Check Stock
RL3-4RD1H2WGB41 DPST, ON OFF green illuminated , 16A 125VAC, white I O marking, 0.187" Q.C Check Stock
RL3-4RD1H2WRB4 DPST, ON OFF, 16A 125VAC, black body/red actuator, white I O marking, 0.187" Q.C Check Stock
RL3-4RD1G2WBB4 DPST, ON OFF, 10A 125VAC, black body/actuator, white I O marking, 0.187" Q.C Check Stock
RL3-4RD1G2WRB4 DPST, ON OFF, 10A 125VAC, black body/red actuator, white I O marking, 0.187" Q.C Check Stock

Build own part number



Phone: 503 - 564 4647 | Email Me sales@phaseda.com
Copyright (c) 2012 Phaseda LLC. All rights reserved.